做更具性价比的优质电气产品Hefei Zhizhun Electric Co., Ltd

138-1730-7507
产品展示Product Display
联系我们contact us
咨询热线:138-1730-7507

合肥志准电气有限公司

手机:13817307507(微信同号)

邮箱:zhizhundianqi@126.com

地址:安徽省合肥市经济技术开发区繁华大道12227号中环城E3地块D座办公楼办2222-2223室

通用产品

当前位置: 首页 >> 产品展示 >> 通用产品

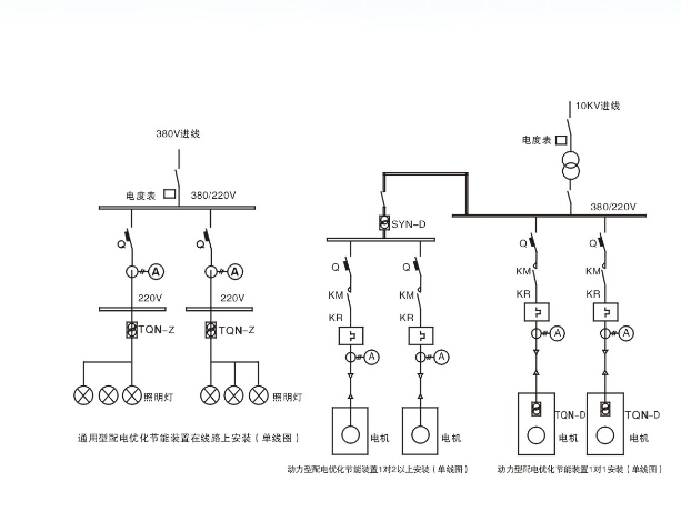
动力型配电优化节能装置ZZN-D

 
基本原理:
ZZN-D动力型电能优化装置,根据电机的的工作特性,采用电能质量监控技术和电磁调节技术,软启动技术,动态跟踪分析电机运行状态,在保持正常运转,不改变转速的前提下,是电机的输出转矩与负载实际需要的功率匹配,同时可以提高设备的功率因素,抑制线路中的顺流和浪涌,改善系统的电力品质,并大幅度降低了负载因涡流、高频谐波分量的影响而造成电量损耗,可达到有效节能和净化的目的。
应用范围:
适用于各种高压和低压三相异步电机